Zubehör - Lineartechnik
Perfekt abgestimmt auf Ihre Anwendung.
Ob Abdeckungen, Klemmungen, Anschläge oder Befestigungselemente – das Zubehörprogramm von Cleveland ergänzt Lineareinheiten optimal. Für jede Anforderung bieten wir passende Lösungen, die Montage, Schutz und Funktionalität Ihrer Linearführungen verbessern.




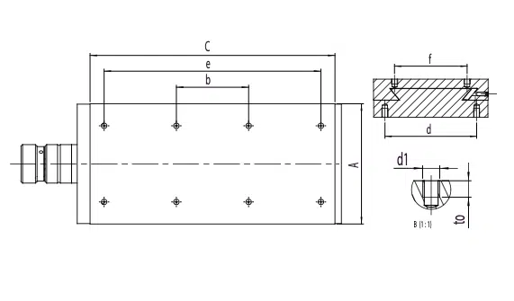
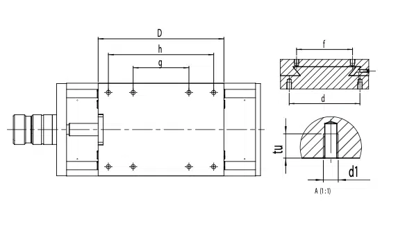
Standard-Befestigungsborbilder
Passgenaue Montage für jede Anwendung
Unsere Standard Bohrbilder ermöglichen eine schnelle, stabile und Montage der Linearschlitten. Zudem sind kundenspezifische Bohrbilder möglich, die wir nach Zeichnung in den Schlitten integrieren.
- Präzise ausgelegte Rastermaße
- Varianten für unterschiedliche Größenklassen
- Durchgängige Befestigungskompatibilität
- Optional anpassbar bei Einsatz von Balgabdeckungen
- Ideal für individuelle Konstruktionen und Systemintegrationen
- Passgenaue Montage für jede Anwendung - individuell anpassbar






Arretierungen für Linearschlitten
Flexible Klemmung – sicher fixiert in jeder Position
Mit den Arretierungen von Cleveland lassen sich Linearschlitten präzise und spielfrei positionieren. Auch hier sind zahlreiche Möglichkeiten gegeben.
- R: Klemmhebel mit Arretierplatte
- S: Klemmhebel auf Führungsleiste
- Kundenspezifische Klemmungen
- Für alle Cleveland Schlittenführungen
- Stufenlose Fixierung über Schraub- oder Klemmmechanik
- Klemmung an beiden Schlittenseiten montierbar







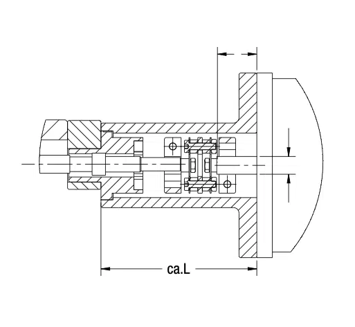
Flansche & Kupplungen für den Motoranbau
Antriebsintegration leicht gemacht – mit Flansch & Kupplung
Cleveland bietet durchdachte Schnittstellenlösungen für den direkten Motoranbau an Lineareinheiten. Ob mit Flansch, Kupplung oder separater Zahnriemenlösung – jedes Antriebskonzept lässt sich flexibel und sicher umsetzen.
- Flanschmontage für Schlittenbreiten ab 75 mm
- Kupplungslösungen zur spielfreien Verbindung von Spindel & Motorwelle
- Ruhestrombremsen optional integrierbar
- Zahnriemenantrieb in mehreren Varianten montierbar
- Fertigung auf Basis von Motordatenblatt
- Kompakte Baumaße je nach Schlittenbreite




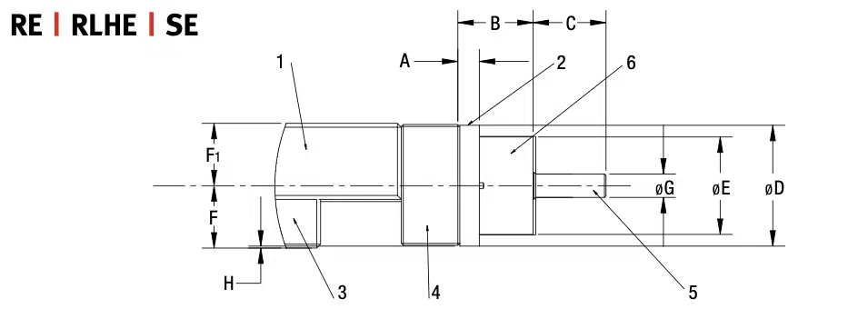
Spindelenden für den Motoranbau
Spindelenden für jede Motorintegration
Für einen spielfreien und montagefreundlichen Anbau von Motoren stellt Cleveland präzise definierte Spindelenden bereit – abgestimmt auf unterschiedliche Spindeltypen und Schlittengeometrien. Das gewährleistet reibungslose Antriebskopplung und eine langlebige Systemintegration.
- Varianten für metrische Trapez- und Gewindespindeln
- Ausführungen für Planetenrollenspindeln und Kugelgewindespindeln
- Spindelenden abgestimmt auf alle relevanten Schlittenbauformen
- Maßangaben gemäß Motoranschlussplan – hohe Passgenauigkeit
- Klar definierte Absätze für Kupplungsbeginn und Lagersitze
- Ideal für den direkten oder indirekten Motoranbau





Balgabdeckungen & Abdeckbleche
Zuverlässiger Schutz für Führungssysteme – individuell anpassbar
Cleveland bietet eine breite Auswahl an Schutzsystemen für Linearschlitten – von einfachen Faltenbälgen bis hin zu hochbelastbaren Metallabdeckungen. Die Abdeckungen schützen zuverlässig vor Staub, Spänen und anderen Umwelteinflüssen und lassen sich exakt auf den jeweiligen Anwendungsfall abstimmen.
- Faltenbalgabdeckungen aus PVC für Temperaturen bis 80 °C
- Sonderausführungen für bis zu 250 °C
- Mit Sperrluftanschluss für staubfreie Führung auch bei Stillstand
- Varianten mit Metallschuppen für heiße, scharfkantige Späne
- Teleskopabdeckungen ab Schlittenbreite 200 mm auf Anfrage
- Abdeckbleche für RO- & NO-Schlitten gegen Schmutz von oben

Beschichtungen für Rostfreie Ausführung
Schutzbeschichtungen für Schlitten
Korrosionsschutz und Oberflächenveredelung für anspruchsvolle Umgebungen, damit Ihre Lineareinheit auch unter schwierigen Bedingungen zuverlässig arbeitet, bieten wir unsere Schlitten optional in rostfreier Ausführung oder mit speziellen Schutzbeschichtungen an. Diese erhöhen die Beständigkeit gegen Feuchtigkeit, Chemikalien und mechanischen Abrieb und schützt vor allem gegen Korrosion.
- Rostfreie Schlittenausführung für erhöhte Langlebigkeit
- Grauguss-Schlitten: Chemisch vernickelte Oberfläche
- Aluminium-Schlitten: Hochwertig eloxierte Oberfläche
- Ideale Lösung für feuchte, aggressive oder hygienisch sensible Anwendungen
- Auf Wunsch in Kombination mit weiteren Zubehörteilen lieferbar


Montagewinkel Typ A & B
Für höchste Stabilität – in Guss oder Aluminium
Die Winkeltypen A und B von Cleveland sorgen für stabile und präzise Befestigungslösungen bei Lineareinheiten. Gefertigt aus Grauguss oder Aluminium, bieten sie wahlweise geschliffene oder feingefräste Auflageflächen für exakte Montagen.
- Zwei Varianten (Typ A und B) für flexible Einbausituationen
- Materialwahl: Grauguss (geschliffen) oder Aluminium (feingefräst)
- Mit Verstärkungsrippen für maximale Steifigkeit
- Passend zu Schlittenbreiten von 50 bis 400 mm
- Sondermaße auf Anfrage erhältlich




Abstreiferplatten mit Abstreifer
Abstreiferplatten – Schutz vor feinstem Schleifstaub
Diese Dichtungslösungen bieten optimalen Schutz für Linearschlitten in rauer Umgebung. Die Abstreiferplatten mit umlaufenden Abstreifern gewährleisten eine durchgehende Reinigung entlang des gesamten Verfahrwegs – besonders effektiv bei fein zerspanenden Prozessen.
- Effektiver Schutz gegen Schleif- und Staubpartikel
- Varianten für mechanische oder pneumatische Abdichtung
- Schmiernippel am Außen- oder Innenteil integriert
- Für zahlreiche Schlittenbreiten und -größen verfügbar
- Optional mit Mikrometerrandbedienung ab 150 mm breite




Verstellbare Festanschläge & T-Nuten
Positioniergenau und flexibel montiert – Anschläge & T-Nuten
Mit verstellbaren Festanschlägen und standardisierten T-Nuten bietet Cleveland weitere Optionen. Bei Schlitten mit eingebautem Zylinder können verstellbare Festanschläge verbaut werden und wahlweise mit induktiven Endschaltern ausgerüstet werden. Mit T-Nuten nach DIN-Norm wird eine einfache Montage ermöglicht
- Festanschläge mit oder ohne induktive Endschalter (PNP/NPN)
- Ein- oder beidseitige Montage möglich
- Ideal für Schlitten mit integriertem Zylinder (Typ RZH, RZP, SZH, SZP)
- T-Nuten nach DIN 650 für flexible Montagemöglichkeiten
- Bis zu 3 T-Nuten je Schlitten für maximale Befestigungsvielfalt




Grundplatten für Linearschlitten
Stabile Basis für jede Montage – Grundplatten
Ob klassische Befestigung, Einbau mit Balgabdeckung oder drehbare Variante: Die Grundplatten von Cleveland sind für vielfältige Montagesituationen ausgelegt und passen zu nahezu allen Schlittenbreiten und -typen.
- Standard-Grundplatten für Schlittenführungen ohne Abdichtung
- Varianten für Balgabdeckungen mit angepasster Geometrie
- Langlöcher beidseitig für einfache Montage (ab 50 mm Breite)
- Kompatibel mit zahlreichen Schlittenarten
- Breites Größenspektrum oder individuelle Lösungen




So viel Auswahl und doch nicht das Richtige dabei?
Kein Problem – wir fertigen auch nach Zeichnung oder passen unser Zubehör individuell an Ihre Anforderungen an.
FAQ – Häufige Fragen zu Cleveland
Antworten auf Ihre wichtigsten Fragen.
Hier finden Sie Antworten auf häufige Fragen rund um unsere Leistungen, Produkte und den Service von Cleveland Lineartechnik. Schnell, klar und transparent – damit Sie bestens informiert sind.
Ja, beispielsweise Faltenbälge mit Sperrluft, Metallschuppen oder spezielle Hitzeschutz-Ausführungen bis 250 °C. Diese eignen sich für Schleifstaub, heiße Späne oder stark ölhaltige Medien.
Wichtig sind die genauen Motordaten oder Anschlussmaße. Cleveland fertigt passgenaue Flansche, die für Ihren Motor passend sind.
Ja, fast jedes Zubehörteil ist auf Anfrage auch in Sondermaßen oder -ausführungen realisierbar – z. B. spezielle Bohrbilder, längere Abstreiferplatten oder angepasste Anschlüsse.
Die dargestellten Möglichkeiten sind nur ein Ausschnitt davon, was Cleveland für Sie bereitstellen kann. Es gibt viele weitere Lösungen, die hier nicht aufgelistet sind. Treten Sie für weitere Informationen also gerne direkt mit uns in Kontakt.